在我們所用的電子電路中,不外分幾種,分別為電源電路、放大電路、振蕩電路、數字邏輯電路、數字信號處理電路等。在這些電路中,又數放大電路應用最多,穿插在其它電路中。所以放大電路可以說是學習電子技術必須要掌握的內容。
放大電路計算的技巧(舉例說明)
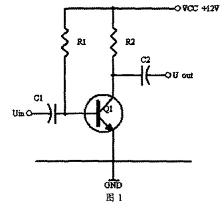
放大電路的核心元件是三極管,所以要對三極管要有一定的了解。用三極管構成的放大電路的種類較多,我們用常用的幾種來解說一下(如圖1)。

圖1是一共射的基本放大電路
一般我們對放大路要掌握些什么內容?
(1)分析電路中各元件的作用;
(2)理解放大電路的放大原理;
(3)能分析計算電路的靜態工作點;
(4)理解靜態工作點的設置目的和方法。
以上四項中,最后一項較為重要,卻是較少解說得通透的一項。
圖1中,C1 ,C2 為耦合電容,耦合就是起信號的傳遞作用,電容器能將信號從前級耦合到后級,是因為電容兩端的電壓不能突變,在輸入端輸入交流信號后,因兩端的電壓不能突變,輸出端的電壓會跟隨輸入端輸入的交流信號一起變化,從而將信號信號從輸入端耦合到輸出端。但有一點要說明的是,電容兩端的電壓不能突變,但不是不能變。
R1 、R2 為三極管 Q1的直流偏置電阻 ,什么叫直流偏置?簡單來說,做工要吃飯。要求三極管工作,必先要提供一定的工作條件,電子元件一定是要求有電能供應的了,否則就不叫電路了。
在電路的工作要求中,第一條件是要求要穩定。所以,電源一定要是直流電源,所以叫直流偏置。為什么是通過電阻來供電?電阻就象是供水系統中的水龍頭,用調節電流大小的。所以,三極管的三種工作狀態:"載止、飽和、放大”就由直流偏置 決定,在圖1中,也就是由 R1 、R2來決定了。
首先,我們要知道如何判別三極管的三種工作狀態,簡單來說,判別工作于何種工作狀態可以根據 Uce 的大小來判別,Uce 接近于電源電壓VCC,則三極管就工作于載止狀態,載止狀態就是說三極管基本上不工作,le 電流較?。ù蠹s為零),所以 R2由于沒有電流流過,電壓接近0V,所以 Uce 就接近于電源電壓VCC。
若 Uce 接近于0V, 則三極管工作于飽和狀態,何謂飽和狀態?就是說,lc電流達到了最大值,就算 lb 增大,它也不能再增大了。
以上兩種狀態我們一般稱為開關狀態,除這兩種外,第三種狀態就是放大狀態,一般測 Uce 接近于電源電壓的一半。若測Uce 偏向VCC, 則三極管趨向于載止狀態,若測Uce 偏向0V, 則三極管趨向于飽和狀態。教學上,一般以放大狀態來解說三極管電路的。
理解靜態工作點的設置目的和方法
放大電路,就是將輸入信號放大后輸出,(一般有電壓放大,電流放大和功率放大幾種,這個不在這討論內)。
先說我們要放大的信號,以正弦交流信號為例說。在分析過程中,可以只考慮到信號大小變化是有正有負,其它不說。上面提到在圖1放大電路電路中,靜態工作點的設置為Uce接近于電源電壓的一半,為什么?
這是為了使信號正負能有對稱的變化空間,在沒有信號輸入的時候,即信號輸入為0,假設Uce為電源電壓的一半,我們當它為一水平線,作為一個參考點。
當輸入信號增大時,則Ib增大,Ic電流增大,則電阻R2的電壓U2=Ic x R2會隨之增大,Uce=VCC-U2,會變小。U2最大理論上能達到等于VCC,則Uce最小會達到0V,這是說,在輸入信增加時,Uce最大變化是從1/2的VCC變化到0V。
同理 ,當輸入信號減小時,則 lb 減小,lc 電流減小,則電阻 R2 的電壓 U2=lc x R2 會隨之減小,Uce=VCC- U2, 會變大。在輸入信減小時, Uce最大變化是從1/2 的VCC變化到 VCC。
這樣,在輸入信號一定范圍內發生正負變化時, Uce 以 1/2VCC 為準的話就有一個對稱的正負變化范圍 , 所以一般圖1靜態工作點的設置為Uce接近于電源電壓的一半。
要把 Uce設計成接近于電源電壓的一半, 這是我們的目的,但如何才能把Uce設計成接近于電源電壓的一半?
這里要先知道幾個東西 ,第一個是 我們常說的lc、lb, 它們是三極管的集電極電流和基極電流,它們有一個關系是Ic=β x Ib, lc、lb 是多大才合適?這個問題比較難答,因為牽涉的東西比較的多,但一般來說,對于小功率管,一般 設 lc在零點幾毫安到幾亳安,中功率管則在幾亳安到幾十毫安,大功率管則在幾十毫安到幾安。
在圖1中,設lc為2mA, 則電阻 R2 的阻值就可以由R=U/I來計算,VCC為 12V, 則 1/2VCC 為 6V, R2 的阻值為6V/2mA, 為 3kΩ, lc 設定為2毫安 ,則 lb 可由 lb= lc/β 推出,關健是 β的取值了,β一般理論取值100 , 則 lb =2mA/100=20uA, 則 R1 =(VCC -0.7V)/Ib =11.3V/20uA =56.5kΩ,但實際上,小功率管的β值 遠不止100, 在 150 到 400 之間,或者更高,所以若按上面計算來做,電路是有可能處于飽和狀態的。
所以有時我們不明白,計算沒錯,但實際不能用,這是因為教學上還少了一點實際的指導,指出理論與實際的差別。這種電路受β值的影響大,每個人計算一樣時,但做出來的結果不一定相同。也就是說,這種電路的穩定性差,實際應用較少。但如果改為圖 2的分壓式偏置電路,電路的分析計算和實際電路測量較為接近。

在圖2的分壓式偏置電路中,同樣的 我們假設 Ic 為 2mA, Uce 設計成 l /2VCC為 6V。則 RI 、R2、R3、R4 該如何取值呢?
計算公式如下:
因為 Uce 設計成 1/2VCC為6V,則Icx(R3+R4)=6V;Ic≈Ie??梢运愠鯮3+R4=3kΩ,這樣,R3、R4各是多少?
一般R4取100Ω,R3為2.9kΩ,實際上,R3我們一般直取2.7kΩ,因為E24系列電阻中沒有2.9kΩ,取值2.7kΩ與2.9kΩ沒什么大的區別。
因為R2兩端的電壓等于Ube+UR4,即0.7V+100Ωx2mA=0.9V,我們設Ic為2mA,β一般理論取值100,則Ib=2mA/100=20?A,這里有一個電流要估算的,就是流過R1的電流了,一般取值為Ib的10倍左右,取IR為1200uA。
則R1=11.1V/200uA≈ 56kΩ,R2=0.9V/(200-20)uA=5kΩ;考慮到實際上的β值可能遠大于100,所以R2的實際取值為4.7kΩ。這樣,R1、R2、R3、R4的取值分別為56kΩ,4.7kΩ,2.7kΩ,100Ω,Uce為6.4V。
在上面的分析計算中,多次提出假設什么的,這在實際應用中是必要的,很多時候需要一個參考值來給我們計算,但往往卻沒有,這里面一是我們對各種器件不熟悉,二是忘記了一件事,我們自己才是用電路的人,一些數據可以自己設定,這樣可以少走彎路。
〈烜芯微/XXW〉專業制造二極管,三極管,MOS管,橋堆等,20年,工廠直銷省20%,上萬家電路電器生產企業選用,專業的工程師幫您穩定好每一批產品,如果您有遇到什么需要幫助解決的,可以直接聯系下方的聯系號碼或加QQ/微信,由我們的銷售經理給您精準的報價以及產品介紹
聯系號碼:18923864027(同微信)
QQ:709211280

